Mô tả bình chữa cháy khí FM200 loại 140L SFS-C140 Hãng S-tec vina:
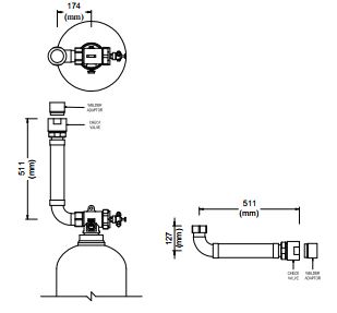
Bình khí FM200 SFS-C140 được chế tạo bằng thép đúc, dung tích 140L sử dụng trong hệ thống chữa cháy SFS-200 chứa khí chữa cháy FM-200 / HFC-227ea được tăng áp bằng nitơ tới áp suất 50 bar / 42 bar ở 21°C. Bình khí FM200 được lắp đặt kèm van đầu bình, đồng hồ hiển thị áp suất, tùy chọn đồng hồ tích hợp kèm tiếp điểm giám sát. Trên van đầu bình có kèm van xả áp an toàn.
Hoạt động bình chữa cháy khí FM200 loại 140L SFS-C140 Hãng S-tec vina:
Bình khí FM200 SFS-C140 được kích hoạt xả bằng van kích hoạt bằng khí / bằng tay khi có áp lực kích hoạt từ tủ kích hoạt; với hệ thống chỉ sử dụng một bình khí có thể sử dụng van điện từ kích hoạt.
Lắp đặt bình chữa cháy khí FM200 loại 140L SFS-C140 Hãng S-tec vina:
Bình khí FM200 được lắp theo phương thẳng đứng với van đầu bình hướng lên. Các bình nối cùng nhau đến ống góp qua ống mềm xả khí DN50 kèm van một chiều hoặc qua khớp nối kiểu ren loại có mức chịu áp phù hợp.
Bình khí FM200 được cố định bằng hai bộ đai giữ bình, đai giữ bình cần được cố định vào tườnghoặc kết cấu.
Trường hợp yêu cầu giám sát áp lực bình khí, có thể sử dụng tùy chọn đồng hồ kèm tiếp điểm giám sát để thay thế cho đồng hồ áp tiêu chuẩn
Thông số kỹ thuật bình FM200 140L loại SFS-C140 Hãng S-tec vina
| Mô tả | Thông số |
| Dải nạp HFC-227ea (FM-200) | 56kg – 147kg (123lbs – 324lb) |
| Chiều cao | 1790mm (±20mm) |
| Đường kính | 356mm ±1% |
| Thể tích bên trong | 140L |
| Áp suất nạp | 50 bar |
| Trọng lượng bình rỗng | 146kg (±5%) |
| Vật liệu của bình | Thép 34CrMo4 |
| Màu sơn bình | Sơn tĩnh điện màu đỏ RAL3000 |
| Áp suất nạp tối đa của bình | 200 bar |
| Áp suất thử nghiệm vỏ bình | 300 bar |
| Áp suất thử nổ vỏ bình tối thiểu | 480 bar |
| Tiêu chuẩn kỹ thuật vỏ bình | ISO 9809-1, TPED, PI |
| Áp suất nạp tối đa van đầu bình | 147bar (2132 psi) |
| Áp suất thử nghiệm van đầu bình | 245 bar (3553 psi) |
| Vật liệu chế tạo van đầu bình | Đồng mạ niken |
| Nhiệt độ môi trường hoạt động | 00C đến 540C |
| Chứng nhận | Kiểm định thiết bị PCCC theo ND136/2020/NĐ-CP |






